Introduction
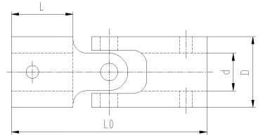
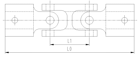
[WS,WSD universal coupling]
Light universal couplingUniversal coupling
WS model
WSD model
The coupling is mainly used for transmission motion and small torque, and is suitable for a transmission shaft system with an angle of β ≤ 45° on the axis of the coupling.
|
Coupling model |
Nominal torque TN/Nm |
d (H7) |
D |
L0 |
L |
L1 |
Mass m/Kg |
Moment of inertia I/Kg*m^2 |
||||||||||
|
WSD model |
WS model |
WSD model |
WS model |
WSD model |
WS model |
|||||||||||||
|
Y |
J1 |
Y |
J1 |
Y |
J1 |
Y |
J1 |
Y |
J1 |
Y |
J1 |
Y |
J1 |
|||||
|
WS1 WSD1 |
11.2 |
8 |
16 |
60 |
- |
80 |
- |
20 |
- |
20 |
0.23 |
- |
0.32 |
- |
0.06 |
- |
0.08 |
- |
|
9 |
60 |
- |
80 |
- |
20 |
- |
20 |
0.23 |
- |
0.32 |
- |
0.06 |
- |
0.08 |
- |
|||
|
10 |
66 |
60 |
86 |
80 |
25 |
22 |
20 |
0.23 |
0.2 |
0.32 |
0.29 |
0.06 |
0.05 |
0.08 |
0.07 |
|||
|
WS2 WSD2 |
22.4 |
10 |
20 |
70 |
64 |
96 |
90 |
25 |
22 |
26 |
0.64 |
0.57 |
0.93 |
0.88 |
0.1 |
0.09 |
0.15 |
0.15 |
|
11 |
70 |
64 |
96 |
90 |
25 |
22 |
26 |
0.64 |
0.57 |
0.93 |
0.88 |
0.1 |
0.09 |
0.15 |
0.15 |
|||
|
12 |
84 |
74 |
110 |
100 |
32 |
27 |
26 |
0.64 |
0.57 |
0.93 |
0.88 |
0.1 |
0.09 |
0.15 |
0.15 |
|||
|
WS3 WSD3 |
45 |
12 |
25 |
90 |
80 |
122 |
112 |
32 |
27 |
32 |
1.45 |
1.3 |
2.1 |
1.95 |
0.17 |
0.15 |
0.24 |
0.22 |
|
14 |
90 |
80 |
122 |
112 |
32 |
27 |
32 |
1.45 |
1.3 |
2.1 |
1.95 |
0.17 |
0.15 |
0.24 |
0.22 |
|||
|
WS4 WSD4 |
71 |
16 |
32 |
116 |
82 |
154 |
130 |
42 |
30 |
38 |
5.92 |
4.86 |
8.56 |
8.48 |
0.39 |
0.32 |
0.56 |
0.49 |
|
18 |
116 |
82 |
154 |
130 |
42 |
30 |
38 |
5.92 |
4.86 |
8.56 |
8.48 |
0.39 |
0.32 |
0.56 |
0.49 |
|||
|
WS5 WSD5 |
140 |
19 |
40 |
144 |
116 |
192 |
164 |
42 |
30 |
48 |
16.3 |
12.9 |
24 |
20.6 |
0.72 |
0.59 |
1.04 |
0.91 |
|
20 |
144 |
116 |
192 |
164 |
52 |
38 |
48 |
16.3 |
12.9 |
24 |
20.6 |
0.72 |
0.59 |
1.04 |
0.91 |
|||
|
22 |
144 |
116 |
192 |
164 |
52 |
38 |
48 |
16.3 |
12.9 |
24 |
20.6 |
0.72 |
0.59 |
1.04 |
0.91 |
|||
|
WS6 WSD6 |
280 |
24 |
50 |
152 |
124 |
210 |
182 |
52 |
38 |
58 |
45.7 |
36.7 |
68.9 |
59.7 |
1.28 |
1.03 |
1.89 |
1.64 |
|
25 |
172 |
136 |
330 |
194 |
62 |
44 |
58 |
45.7 |
36.7 |
68.9 |
59.7 |
1.28 |
1.03 |
1.89 |
1.64 |
|||
|
28 |
172 |
136 |
330 |
194 |
62 |
44 |
58 |
45.7 |
36.7 |
68.9 |
59.7 |
1.28 |
1.03 |
1.89 |
1.64 |
|||
|
WS7 WSD7 |
560 |
30 |
60 |
226 |
182 |
296 |
252 |
82 |
60 |
70 |
148 |
117 |
207 |
177 |
2.82 |
2.31 |
3.9 |
3.38 |
|
32 |
226 |
182 |
296 |
252 |
82 |
60 |
70 |
148 |
117 |
207 |
177 |
2.82 |
2.31 |
3.9 |
3.38 |
|||
|
35 |
226 |
182 |
296 |
252 |
82 |
60 |
70 |
148 |
117 |
207 |
177 |
2.82 |
2.31 |
3.9 |
3.38 |
|||
|
WS8 WSD8 |
1120 |
38 |
75 |
240 |
196 |
332 |
288 |
82 |
60 |
92 |
396 |
338 |
585 |
525 |
5.03 |
4.41 |
7.25 |
6.63 |
|
40 |
300 |
244 |
392 |
336 |
112 |
84 |
92 |
396 |
338 |
585 |
525 |
5.03 |
4.41 |
7.25 |
6.63 |
|||
|
42 |
300 |
244 |
392 |
336 |
112 |
84 |
92 |
396 |
338 |
585 |
525 |
5.03 |
4.41 |
7.25 |
6.63 |
|||


